The photos you provided may be used to improve Bing image processing services.
Privacy Policy
|
Terms of Use
Can't use this link. Check that your link starts with 'http://' or 'https://' to try again.
Unable to process this search. Please try a different image or keywords.
Try Visual Search
Search, identify objects and text, translate, or solve problems using an image
Drag one or more images here,
upload an image
or
open camera
Drop images here to start your search
To use Visual Search, enable the camera in this browser
All
Search
Images
Inspiration
Create
Collections
Videos
Maps
News
More
Shopping
Flights
Travel
Notebook
Top suggestions for Using LabVIEW for Mass Flow Controller
Mass Flow Controller
Icon
Mass Flow Controller for
Gases
Alicat
Mass Flow Controller
Mass Flow Controller
Diagram
Gas
Mass Flow Controller
Digital
Mass Flow Controller
HORIBA
Mass Flow Controller
Mass Flow Controller
Connection
Liquid
Mass Flow Controller
Mass Flow
Meter Controller
MKS
Mass Flow Controller
856
Mass Flow Controller
High Pressure
Mass Flow Controller
Mass Flow Controller
構造
Festo
Mass Flow Controller
MFC Symbol
Mass Flow Controller
ALD
Mass Flow Controller
Mass Flow Controller
Unit
Oxygen
Mass Flow Controller
Mass Flow Controller
Schematic
Azbil
Mass Flow Controller
Corrosive
Mass Flow Controller
Mass Flow Controller
Principle
Thermal Mass Flow
Meter
Mass Flow Controller
Mini
Brooks
Mass Flow Controller
Mass Flow Controller
Relay
Manual
Mass Flow Controller
Coriolis
Mass Flow Controller
Vacuum Control with
Mass Flow Controller
Mass Flow Controller
Panker
Compact
Mass Flow Controller
Mass Flow Controller
March Plasma
Bronkhorst Flow
Meter
Enviro Systems
Mass Flow Controller
Fundamental of
Mass Flow Controller
Aalborg
Mass Flow Controller
Alicat Scientific
Mass Flow Controller
Solvent Mass
Fluid Flow Controller
Mechanical
Flow Controller
Mass Flow Controller
Digital MFC's
Air
Flow Controllers
Clip Art
Mass Flow Controller
Mass Flow
Excavator
Mass Flow Controller
Valves
Mass Flow Controller
Piker
Mass Flow Controller
Pinker
Mass Flow Controller
Drawing
Mass Flow Controller
Sensor
Mass Flow Controller
Thermo Fsiher
Explore more searches like Using LabVIEW for Mass Flow Controller
Enviro
Systems
Clip
Art
High
Temperature
Breakout
Box
Pi
Symbol
HD
Images
Whisper
Series
High
Pressure
Low
Cost
Calibration
System
High Pressure
Gas
Water
Vapor
Carbon
Dioxide
Electronic Pressure
Regulator
Halbleiter
Gase
Porter
Mec
001
PFD
FLP
Corrosive
Box
Sla5851d1bab1a2a1
Imi
Metal
Sealed
Oxygen
Thermal
400
Bar
Omega
SS316
People interested in Using LabVIEW for Mass Flow Controller also searched for
Applied
Materials
Nextion
HMI
MultiPort
Burkert
8745
LineTech
Brooks
GF40
Hybrid 1001
0094
600Slm
Part
6685015673000
Hm5144b22as
Laboratory
Symbol
Liquid
CO2
Schematic Symbol
For
Autoplay all GIFs
Change autoplay and other image settings here
Autoplay all GIFs
Flip the switch to turn them on
Autoplay GIFs
Image size
All
Small
Medium
Large
Extra large
At least... *
Customized Width
x
Customized Height
px
Please enter a number for Width and Height
Color
All
Color only
Black & white
Type
All
Photograph
Clipart
Line drawing
Animated GIF
Transparent
Layout
All
Square
Wide
Tall
People
All
Just faces
Head & shoulders
Date
All
Past 24 hours
Past week
Past month
Past year
License
All
All Creative Commons
Public domain
Free to share and use
Free to share and use commercially
Free to modify, share, and use
Free to modify, share, and use commercially
Learn more
Clear filters
SafeSearch:
Moderate
Strict
Moderate (default)
Off
Filter
Mass Flow Controller
Icon
Mass Flow Controller for
Gases
Alicat
Mass Flow Controller
Mass Flow Controller
Diagram
Gas
Mass Flow Controller
Digital
Mass Flow Controller
HORIBA
Mass Flow Controller
Mass Flow Controller
Connection
Liquid
Mass Flow Controller
Mass Flow
Meter Controller
MKS
Mass Flow Controller
856
Mass Flow Controller
High Pressure
Mass Flow Controller
Mass Flow Controller
構造
Festo
Mass Flow Controller
MFC Symbol
Mass Flow Controller
ALD
Mass Flow Controller
Mass Flow Controller
Unit
Oxygen
Mass Flow Controller
Mass Flow Controller
Schematic
Azbil
Mass Flow Controller
Corrosive
Mass Flow Controller
Mass Flow Controller
Principle
Thermal Mass Flow
Meter
Mass Flow Controller
Mini
Brooks
Mass Flow Controller
Mass Flow Controller
Relay
Manual
Mass Flow Controller
Coriolis
Mass Flow Controller
Vacuum Control with
Mass Flow Controller
Mass Flow Controller
Panker
Compact
Mass Flow Controller
Mass Flow Controller
March Plasma
Bronkhorst Flow
Meter
Enviro Systems
Mass Flow Controller
Fundamental of
Mass Flow Controller
Aalborg
Mass Flow Controller
Alicat Scientific
Mass Flow Controller
Solvent Mass
Fluid Flow Controller
Mechanical
Flow Controller
Mass Flow Controller
Digital MFC's
Air
Flow Controllers
Clip Art
Mass Flow Controller
Mass Flow
Excavator
Mass Flow Controller
Valves
Mass Flow Controller
Piker
Mass Flow Controller
Pinker
Mass Flow Controller
Drawing
Mass Flow Controller
Sensor
Mass Flow Controller
Thermo Fsiher
1909×736
forums.ni.com
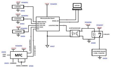
Mass flow controller with Labview - NI Community
1024×684
forums.ni.com
Mass flow controller with Labview - NI Community
1983×1081
forums.ni.com
Mass flow controller with Labview - NI Community
1000×1286
forums.ni.com
Mass flow controller with L…
Related Products
Brooks Mass Flow Controller
Gas Mass Flow Controllers
Digital Mass Flow Controller
1000×396
forums.ni.com
Mass flow controller with Labview - NI Community
500×375
forums.ni.com
Mass flow controller with Labview - NI Community
1000×1000
forums.ni.com
Mass flow controller with Labview - NI Community
1000×657
forums.ni.com
Mass flow controller with Labview - NI Community
755×254
forums.ni.com
How do I create labview program for Mass flow controller - Page 2 - NI ...
1053×964
forums.ni.com
Using Teledyne Hastings mass flow controller HFC-2…
300×255
sklabware.com
Mass Flow Controller – Sk Labware
Explore more searches like
Using LabVIEW for
Mass Flow Controller
Enviro Systems
Clip Art
High Temperature
Breakout Box
Pi Symbol
HD Images
Whisper Series
High Pressure
Low Cost
Calibration System
High Pressure Gas
Water Vapor
297×564
researchgate.net
Mass flow controller mod…
1085×1536
linkedin.com
AdvanceTech Controls on Li…
850×407
researchgate.net
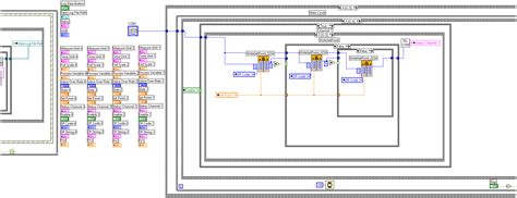
12 -Labview VI to control the Mass Flow Controller. The input ...
970×768
ellipsetechltd.com
Mass Flow Controller / Flow Meter
400×373
technofittings.com
Mass Flow Controller Theory - Techno Fittings
980×980
mayoworld.com
Mass Flow Controller, Electric automatic, 220v …
1200×651
metlaninst.com
What's A Mass Flow Controller? - Metlan Instruments
851×765
metlaninst.com
What's A Mass Flow Controller? - Metlan Instrum…
1024×768
SlideServe
PPT - Mass Flow Controller PowerPoint Presentation, free dow…
1024×768
SlideServe
PPT - Mass Flow Controller Calibration PowerPoint Presentatio…
1024×768
slideserve.com
PPT - Mass Flow Controller System PowerPoint Presentation, free ...
1024×768
slideserve.com
PPT - Mass Flow Controller System PowerPoint Presentation, free ...
1024×768
SlideServe
PPT - Mass Flow Controller PowerPoint Presentation, free dow…
1208×679
storage.googleapis.com
Mass Flow Controller Mechanism at Jacqueline Corbett blog
850×620
storage.googleapis.com
Mass Flow Controller Mechanism at Jacqueline Corb…
850×613
storage.googleapis.com
Mass Flow Controller Mechanism at Jacqueline Corbett blog
558×350
fluxushitech.com
Knowledge Base Mass Flow Controller MFC Theory | The low-flow specialists
People interested in
Using LabVIEW for
Mass Flow Controller
also searched for
Applied Materials
Nextion HMI
MultiPort
Burkert 8745
LineTech
Brooks GF40
Hybrid 1001 0094
600Slm
Part
6685015673000
Hm5144b22as
Laboratory Symbol
500×420
tradeindia.com
Mass Flow Controller - Advanced Bioreactor …
1024×1024
lintec-mfc.co.jp
Mass Flow Controllers and …
293×277
lintec-mfc.co.jp
Mass Flow Controller Operating Princinple - LIN…
850×1203
researchgate.net
(PDF) Optimal controller desi…
200×310
lintec-mfc.co.jp
Mass Flow Controller Basi…
850×219
researchgate.net
Labview Representation of the controller. | Download Scientific Diagram
1000×1000
electricity-magnetism.org
Mass Flow Controllers | How it works, Application & Ad…
Some results have been hidden because they may be inaccessible to you.
Show inaccessible results
See more images
Recommended for you
Sponsored
Report an inappropriate content
Please select one of the options below.
Not Relevant
Offensive
Adult
Child Sexual Abuse
Feedback