The photos you provided may be used to improve Bing image processing services.
Privacy Policy
|
Terms of Use
Can't use this link. Check that your link starts with 'http://' or 'https://' to try again.
Unable to process this search. Please try a different image or keywords.
Try Visual Search
Search, identify objects and text, translate, or solve problems using an image
Drag one or more images here,
upload an image
or
open camera
Drop images here to start your search
To use Visual Search, enable the camera in this browser
All
Search
Images
Inspiration
Create
Collections
Videos
Maps
News
More
Shopping
Flights
Travel
Notebook
Top suggestions for Complex Filter Design
Complex Filter
Complex
Bandpass Filter
Coupled Line
Filter Design
Digital Low Pass
Filter Design
Complex Filter
UI Designs
Filter
Component Design
Filter
Sub Design
Mephisto
Filter Design
Filter Design
Types
Active
Filter Design
Complex
FIR Filter
Filter
Lateral Design
CHW
Filter Design
Brown Complex
On Filter
Complex Filter
Principle
Bluetooth
Complex Filter
Complex
Table Filter
Complex
Pole Filter
Fir Filter Design
Diagram
RC
Filter Design
Double Pad
Filter Design
Band Pass Filter Design
MATLAB Example
Multi Filter
Feature Design
IIR
Filter Design
Double Ended Spectrum Fir
Filter Design
Endolith Digital
Filter Complex
Complex
Resonance Filter
CMOS
Complex Filter
Dregs
Filter Design
GMC
Filter
Electrical Engineeirng
Filter Design
Complex
Kernel Filter
Resin Filter
CMOS
Medium Design Filter
Diagram
RC Filter Design
Book
RC Filter Design
for Precise Voltage Filtering
Rauch
Filter Complex Filter
Old Generation
Filter
Adaptive Filter
Block Diagram
X-band Frequency
Filter Design
CL Filter Design
for Bluetooth Antenna
CMOS Complex Filter
Biquad 2 Order
Biorthogonal Filter
Architecture
Toshiba Ultrasound Schematic
Complex Filter
Half Complex
FIR Filter
Complex
Shaped Filters
Complex Filter
Center Frequency Equation
UX
Complex Filters
Asymmetrical FIR
Filter
Schematic Design
Sock Filter
Explore more searches like Complex Filter Design
Power
Electronics
Table
UI
DIY
Pond
LC High
Pass
Full
Size
Puff
Microstrip
Power
Supply
Passive Band
Pass
Cavity
Resonator
Dry
Water
Best
Water
Clean
Water
LC Low
Pass
Pressure
Sand
Mobile
Combline
UI
Cavity
RF Band
Pass
Aquaponics
UX
Sump
Butterworth
High Pass
Oil
Ti
Interdigital
Basic
People interested in Complex Filter Design also searched for
EMI/EMC
Slow
Sand
Active Band
Pass
Okawa
Trickling
Tip
Wideband
Combline
Kvgls04tt3
Dabp
Pond
Diagram
Page
New Version
Autoplay all GIFs
Change autoplay and other image settings here
Autoplay all GIFs
Flip the switch to turn them on
Autoplay GIFs
Image size
All
Small
Medium
Large
Extra large
At least... *
Customized Width
x
Customized Height
px
Please enter a number for Width and Height
Color
All
Color only
Black & white
Type
All
Photograph
Clipart
Line drawing
Animated GIF
Transparent
Layout
All
Square
Wide
Tall
People
All
Just faces
Head & shoulders
Date
All
Past 24 hours
Past week
Past month
Past year
License
All
All Creative Commons
Public domain
Free to share and use
Free to share and use commercially
Free to modify, share, and use
Free to modify, share, and use commercially
Learn more
Clear filters
SafeSearch:
Moderate
Strict
Moderate (default)
Off
Filter
Complex Filter
Complex
Bandpass Filter
Coupled Line
Filter Design
Digital Low Pass
Filter Design
Complex Filter
UI Designs
Filter
Component Design
Filter
Sub Design
Mephisto
Filter Design
Filter Design
Types
Active
Filter Design
Complex
FIR Filter
Filter
Lateral Design
CHW
Filter Design
Brown Complex
On Filter
Complex Filter
Principle
Bluetooth
Complex Filter
Complex
Table Filter
Complex
Pole Filter
Fir Filter Design
Diagram
RC
Filter Design
Double Pad
Filter Design
Band Pass Filter Design
MATLAB Example
Multi Filter
Feature Design
IIR
Filter Design
Double Ended Spectrum Fir
Filter Design
Endolith Digital
Filter Complex
Complex
Resonance Filter
CMOS
Complex Filter
Dregs
Filter Design
GMC
Filter
Electrical Engineeirng
Filter Design
Complex
Kernel Filter
Resin Filter
CMOS
Medium Design Filter
Diagram
RC Filter Design
Book
RC Filter Design
for Precise Voltage Filtering
Rauch
Filter Complex Filter
Old Generation
Filter
Adaptive Filter
Block Diagram
X-band Frequency
Filter Design
CL Filter Design
for Bluetooth Antenna
CMOS Complex Filter
Biquad 2 Order
Biorthogonal Filter
Architecture
Toshiba Ultrasound Schematic
Complex Filter
Half Complex
FIR Filter
Complex
Shaped Filters
Complex Filter
Center Frequency Equation
UX
Complex Filters
Asymmetrical FIR
Filter
Schematic Design
Sock Filter
New Version
🎉
What's new
You're invited to try a new version of Image Search, switch to view.
768×1024
scribd.com
IIR Filter Design Lecture PDF | …
768×1024
scribd.com
Ch9 - IIR Digital Filter Design | …
560×405
mathworks.com
Complex Bandpass Filter Design - MATLAB & Simulink
850×373
researchgate.net
Proposed methodology for complex FIR filter design. | Download ...
Related Products
Filter Design Book
Filter Design Kit
Filter Design Tool
1300×732
smart-interface-design-patterns.com
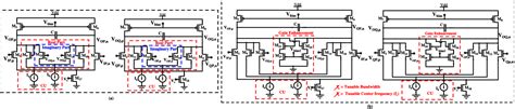
Complex Filters UX – Smart Interface Design Patterns
250×181
microwavejournal.com
Topology Library Streamlines Complex Fil…
320×147
microwavejournal.com
Topology Library Streamlines Complex Filter Design, Reducin…
320×181
microwavejournal.com
Topology Library Streamlines Complex Filter Design, Reducin…
654×922
semanticscholar.org
Figure 1 from Complex Filter D…
656×556
semanticscholar.org
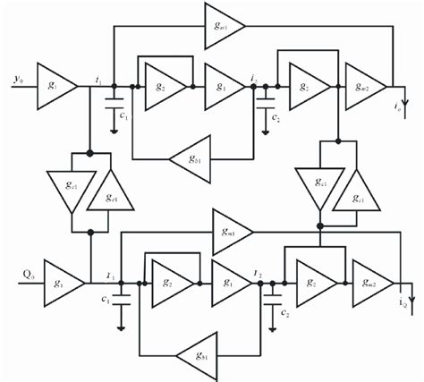
Figure 1 from Complex Filter Design for Bluetooth Receiver …
662×220
semanticscholar.org
Figure 1 from Complex Filter Design for Bluetooth Receiver Application ...
1920×1440
storage.googleapis.com
Fast Filter Design at Leo Bunker blog
Explore more searches like
Complex
Filter Design
Power Electronics
Table UI
DIY Pond
LC High Pass
Full Size
Puff Microstrip
Power Supply
Passive Band Pass
Cavity Resonator
Dry Water
Best Water
Clean Water
850×767
researchgate.net
Fully schematic of the proposed complex filt…
1388×296
semanticscholar.org
Figure 2 from A Novel Complex Filter Design With Dual Feedback for High ...
706×282
semanticscholar.org
Figure 1 from Complex Filter Design for Bluetooth Receiver Application ...
1380×640
semanticscholar.org
Figure 4 from A Novel Complex Filter Design With Dual Feedback for High ...
808×243
chegg.com
Solved Task 3: IIR Filter Design Design a digital | Chegg.com
603×600
Mikroe
infinite-impulse-response-iir-filter-design - MIKROE
1024×768
SlideServe
PPT - IIR Filter Design: Basic Approaches PowerPoint Presentation, free ...
700×640
chegg.com
2.3 IIR Bandpass Filter Design You need a band…
1282×723
techapproach1.blogspot.com
Bandpass Filter Design: IIR and FIR in MATLAB
992×728
chegg.com
Solved 9. Design a digital IIR filter with the following | Cheg…
1120×674
in.mathworks.com
Filter Design and Analysis - MATLAB & Simulink - MathWorks India
700×137
chegg.com
A filter designer wants to design an IIR bandpass | Chegg.com
850×559
researchgate.net
9: A complex FIR filter built from four real FIR filters. The input I ...
768×1024
scribd.com
Digital Signal Processing (EE-384…
1024×768
slideserve.com
PPT - Chapter 6 PowerPoint Presentation, free download - ID:572272
649×700
chegg.com
Solved 4 Lab Exercise: Bandpass Filter Design for …
People interested in
Complex
Filter Design
also searched for
EMI/EMC
Slow Sand
Active Band Pass
Okawa
Trickling
Tip
Wideband Combline
Kvgls04tt3
Dabp
Pond
Diagram
Page
700×416
chegg.com
Solved 4 Lab Exercise: Bandpass Filter Design for IIR It is | Chegg.com
618×798
chegg.com
2. Design a band-pass IIR filter with t…
942×728
SlideShare
Dsp U Lec09 Iir Filter Design
922×546
semanticscholar.org
Figure 1 from IIR Cascaded-Resonator-Based Complex Filter Banks ...
850×1099
researchgate.net
(PDF) Design of Doubly-Compleme…
525×463
solutioninn.com
[SOLVED] Design an IIR digital filter to reduce the amount of n…
1416×810
semanticscholar.org
Figure 1 from IIR Cascaded-Resonator-Based Complex Filter Banks ...
Some results have been hidden because they may be inaccessible to you.
Show inaccessible results
See more images
Recommended for you
Sponsored
Report an inappropriate content
Please select one of the options below.
Not Relevant
Offensive
Adult
Child Sexual Abuse
Feedback